总机:021-57480966 手机号:15317950570 销售热线:021-57482386
联系我们   Contact

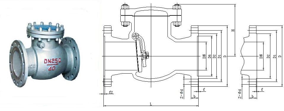
H44H 旋启式止回阀

更新:2016-04-19 13:13:36      点击:
  • 名称:    H44H 旋启式止回阀
  • 型号:    H44H
  • 压力:    1.0~16MPa
  • 规格:    DN15~DN1000
  • 材质:    灰铸铁、球墨铸铁、碳钢、不锈钢
  • 在线订购
  • 产品描述

    旋启式止回阀又称单向阀或逆止阀,其作用是防止管路中的介质倒流。启闭件靠介质流动和力量自行开启或关闭,以防止介质倒流的阀门叫止回阀。止回阀属于自动阀类,主要用于介质单向流动的管道上,只允许介质向一个方向流动,以防止发生事故。本类阀门在管道中一般应当水平安装。可适用于水、蒸汽、油品、硝酸、醋酸、强氧化性介质及尿素等多种介质。主要用于石油、化工、制药、化肥、电力等管路上。

     

  •            

    主要连接及外形尺寸(PN25)

    公称

    通径

    主要连接及外形尺寸

    阀体连接尺寸

    法兰连接尺寸

    L

    H

    D

    D1

    D2

    b

    f

    Z-Φd

    50

    230

    160

    160

    125

    100

    20

    3

    4-18

    65

    290

    175

    180

    145

    120

    22

    3

    8-18

    80

    310

    185

    195

    160

    135

    22

    3

    8-18

    100

    350

    220

    230

    190

    160

    24

    3

    8-23

    125

    400

    248

    270

    220

    188

    28

    3

    8-25

    150

    480

    276

    300

    250

    218

    30

    3

    8-25

    200

    550

    350

    360

    310

    278

    34

    3

    12-25

    250

    650

    410

    425

    370

    332

    36

    3

    12-30

    300

    750

    430

    485

    430

    390

    40

    4

    16-30

    350

    850

    518

    550

    490

    448

    44

    4

    16-34

    400

    950

    560

    610

    550

    505

    48

    4

    16-34

    500

    1150

    618

    730

    660

    610

    52

    4

    20-41

    主要连接及外形尺寸(PN40)

    公称

    通径

    主要连接及外形尺寸

    阀体连接尺寸

    法兰连接尺寸

    L

    H

    D

    D1

    D2

    D6

    b

    f

    f2

    Z-Φd

    50

    230

    169

    160

    125

    100

    88

    20

    3

    4

    4-18

    65

    290

    173

    180

    145

    120

    110

    22

    3

    4

    8-18

    80

    310

    185

    195

    160

    135

    121

    22

    3

    4

    8-18

    100

    350

    220

    230

    190

    160

    150

    24

    3

    4.5

    8-23

    125

    400

    248

    270

    220

    188

    176

    28

    3

    4.5

    8-25

    150

    480

    270

    300

    250

    218

    204

    30

    3

    4.5

    8-25

    200

    550

    342

    375

    320

    282

    260

    38

    3

    4.5

    12-30

    250

    650

    401

    445

    385

    345

    313

    42

    3

    4.5

    12-34

    300

    750

    423

    510

    450

    408

    364

    46

    4

    4.5

    16-34

    350

    850

    455

    570

    510

    465

    422

    52

    4

    5

    16-34

    400

    950

    510

    655

    585

    535

    474

    58

    4

    5

    16-41

    主要连接及外形尺寸(PN64)

    公称

    通径

    主要连接及外形尺寸

    阀体连接尺寸

    法兰连接尺寸

    L

    H

    D

    D1

    D2

    D6

    b

    f

    f2

    Z-Φd

    50

    300

    177

    175

    135

    105

    88

    26

    3

    4

    4-23

    65

    340

    197

    200

    160

    130

    110

    28

    3

    4

    8-23

    80

    380

    212

    210

    170

    140

    121

    30

    3

    4

    8-23

    100

    430

    248

    250

    200

    168

    150

    32

    3

    4.5

    8-25

    125

    500

    296

    295

    240

    202

    176

    36

    3

    4.5

    8-30

    150

    550

    330

    340

    280

    240

    204

    38

    3

    4.5

    8-34

    200

    650

    385

    405

    345

    300

    260

    44

    3

    4.5

    12-34

    250

    775

    445

    470

    400

    352

    313

    48

    3

    4.5

    12-41

    300

    900

    474

    530

    460

    412

    364

    54

    4

    4.5

    16-41

    350

    1025

    514

    595

    525

    475

    422

    66

    4

    5

    16-41

    400

    1150

    616

    670

    585

    525

    474

    36

    4

    5

    16-48

    主要连接及外形尺寸(PN100)

    公称

    通径

    主要连接及外形尺寸

    阀体连接尺寸

    法兰连接尺寸

    L

    H

    D

    D1

    D2

    D6

    b

    f

    f2

    Z-Φd

    50

    300

    210

    195

    145

    112

    88

    28

    3

    4

    4-Φ25

    65

    340

    227

    220

    170

    138

    110

    32

    3

    4

    8-Φ25

    80

    380

    235

    230

    180

    148

    121

    34

    3

    4

    8-Φ25

    100

    430

    274

    265

    210

    172

    150

    38

    3

    4

    8-Φ30

    150

    550

    340

    350

    290

    250

    204

    46

    3

    4.5

    12-Φ34

    200

    650

    374

    430

    360

    312

    260

    54

    3

    4.5

    12-Φ41

    250

    775

    440

    500

    430

    382

    313

    60

    3

    4.5

    12-Φ41

    300

    900

    505

    585

    500

    442

    364

    70

    4

    4.5

    16-Φ48

  • 要零件材料 

    材料代号

    阀体、阀盖

    阀瓣

    摆臂

    垫片

    C

    WCB 碳钢

    WCB+硬质合金或不锈钢

    WCB 碳钢

    石墨+304

    P

    CF8(304) 不锈钢

    不锈钢

    CF8(304) 不锈钢

    PTFE

    R

    CF8M(316)不锈钢

    不锈钢

    CF8M(316)不锈钢

    PTFE

    I

    WC6 铬钼钢

    合金钢+硬质合金

    WC6 铬钼钢

    石墨+304

    V

    WC9 铬钼钢

    合金钢+硬质合金

    WC9 铬钼钢

    石墨+304

    其它特殊材质我公司亦可根据客户需求量身定做。

  • 性能规范

    壳体材料

    适用介质

    适用温度(℃)

    碳素钢(C型)

    水、蒸汽、油品

    425

    铬镍钛钢(P型)

    硝酸类

    150

    铬镍钼钛钢(R型)

    醋酸类

    150

    铬钼钢(I型)

    水、蒸汽、油品

    550

     

    公称压力PNMPa

    壳体(MPa

    试验压力(MPa

    密封(液)(MPa

    密封(气)(MPa

    1.6

    2.4

    1.8

    0.6

    2.5

    3.8

    2.8

    0.6

    4

    6

    4.4

    0.6

    6.4

    9.6

    7

    0.6

    10

    15

    11

    0.6

  • 执行标准:

    设计标准:GB/T12236

    结构长度:GB/T12221

    连接法兰:JB/T79GB/T9113HG/T20592HG/T20615

    实验与检验:JB/T9092GB/T13927

    压力-温度:GB/T9131

    产品标示:GB/T12220

  • 存储维护

    1.本阀须保管存放在干燥、通风的室内。  

    2.本阀保管存放期闸,阀瓣应处于关闭位置并固定,两端法兰应封闭。

    3.本阀存放期间,机加工表面应用容易清除的防锈剂涂覆。

    4.长期存放的阀门应定期检查,及时防护。   

    安装维护

    1.本阀安装位置不受限制,通常安装于水平管路,也可以安装于垂直管路或倾斜管路,但要便于检修。

    2.安装前,必须仔细核对阀门标志和铭牌是否与工况要求相符。

    3.安装时应检查内腔,除去阀瓣固定装置,试转阀瓣检查密封面,并清洗。

    4..起吊本阀前,应检查吊环螺钉是否己拧紧。

    5.安装时要特别注意介质流向,应使介质正常流动方向与阀体上箭头指示方向一致,否则会 截断介质的正常流向。

    6.安装时,应均匀对称拧紧连接螺栓。

更多产品